CẢM BIẾN SIÊU ÂM TURCK RU100U CHỐNG HÓA CHẤT – GIẢI PHÁP TỐI ƯU CHO ĐỊNH VỊ CÁNH PHUN NÔNG NGHIỆP CÔNG NGHỆ CAO
Trong lĩnh vực nông nghiệp hiện đại, đặc biệt là tại các vườn nho, việc bảo vệ cây trồng khỏi sâu bệnh và nấm mốc là yếu tố sống còn. Giải pháp hiệu quả nằm ở cảm biến siêu âm Turck RU100U chống hóa chất, giúp định vị chính xác cánh phun thuốc bảo vệ thực vật, tối ưu hiệu quả phun và kéo dài tuổi thọ thiết bị.
- CẢM BIẾN UPROX+ GIẢI PHÁP KIỂM SOÁT NẮP CHAI HIỆU QUẢ TRÊN DÂY CHUYỀN CHIẾT RÓT:
- GIẢI PHÁP KIỂM TRA BAO BÌ VỚI VISION-SENSOR IVU ĐƠN GIẢN, LINH HOẠT VÀ TIẾT KIỆM
- TBEN-L – GIẢI PHÁP I/O MODULE ĐA GIAO THỨC CHO MÁY MÓC ĐÓNG GÓI THỰC PHẨM
- HỆ THỐNG RFID BLIDENT – GIẢI PHÁP NHẬN DIỆN HỘP MỰC IN CHÍNH XÁC CHO NGÀNH IN ẤN
- GIẢI PHÁP RFID XÁC MINH ĐÓI GÓI – GIẢI PHÁP ĐỘT PHÁ TRONG NGÀNH DƯỢC PHẨM
CẢM BIẾN SIÊU ÂM CHỐNG HÓA CHẤT CHO VƯỜN NHO
Người trồng nho thường phải phun thuốc bảo vệ thực vật và chất tăng cường sức đề kháng để giữ cho cây khỏe mạnh. Việc phun hiệu quả đòi hỏi đầu phun phải được điều chỉnh chính xác theo địa hình.
Cảm biến siêu âm RU100U của Turck phiên bản EMT chống hóa chất đảm bảo các đầu phun luôn ở đúng vị trí, bằng cách phát hiện chính xác khoảng cách đến mặt đất dọc theo từng hàng nho.
LỢI ÍCH CỦA BẠN
- Phun hiệu quả cao nhờ liên tục điều chỉnh vị trí đầu phun.
- Đa dụng và bền bỉ, hoạt động tốt trong nhiều môi trường nhờ thiết kế chắc chắn.
- Dễ dàng cài đặt và thích nghi với môi trường mới qua chức năng teach-in.

Động học: Vị trí của cần phun tự động điều chỉnh theo địa hình.

Các cảm biến siêu âm nhỏ gọn giám sát khoảng cách dự kiến so với mặt đất.

Lớp PTFE chịu mài mòn bảo vệ mặt cảm biến của cảm biến bằng thép không gỉ.
KHẢ NĂNG THEO DÕI ĐỊA HÌNH PHẠM VI RỘNG
- Cánh phun có thể di chuyển, điều chỉnh và hoạt động đồng thời cho tối đa sáu hàng cây. Mỗi cánh phun được trang bị cảm biến siêu âm chống hóa chất có tầm đo lý tưởng và khả năng phát hiện chính xác:
- Phạm vi đo: lên tới 100 cm
- Vùng mù: chỉ 15 cm
- Khi phát hiện cánh phun hạ thấp hơn mức cài đặt, cảm biến siêu âm RU100U gửi tín hiệu để máy tự động điều chỉnh độ cao.
- Lợi ích kép:
- Thuốc được phun chính xác lên bề mặt lá.
- Tránh gây tổn hại đến cây trồng.
BẢO VỆ TỐI ƯU TRƯỚC MÔI TRƯỜNG KHẮC NGHIỆT
Trong môi trường phun hóa chất, cảm biến cần khả năng chống ăn mòn và bền bỉ lâu dài. Turck đã thiết kế cảm biến siêu âm nông nghiệp với:
- Thép không gỉ chống axit
- Lớp phủ PTFE chống bám bẩn, chống ăn mòn
Điều này giúp cảm biến duy trì hiệu suất cao trong nhiều năm sử dụng tại vườn nho.
KẾT LUẬN
Cảm biến siêu âm Turck RU100U chống hóa chất là giải pháp tối ưu cho các ứng dụng nông nghiệp, đặc biệt trong vườn nho. Với độ bền, độ chính xác và khả năng hoạt động trong môi trường khắc nghiệt, sản phẩm này giúp nông dân nâng cao hiệu quả phun, giảm thiểu hư hại và tiết kiệm chi phí bảo trì.
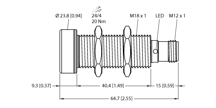
SƠ LƯỢC VỀ CẢM BIẾN RU100U-EMT18M-UP8X2-H1151
| Cảm biến siêu âm – Chế độ khuếch tán Mã đặt hàng: 1610115 · Mặt phát sóng siêu âm phủ lớp PTFE · Mặt trước bằng thép không gỉ · Vỏ hình trụ M18, đổ keo toàn bộ (potted) · Kết nối qua đầu cắm đực M12 × 1 · Bù nhiệt độ · Vùng mù: 15 cm · Tầm đo: 100 cm · Độ phân giải: 1 mm · Góc mở chùm sóng siêu âm: ±16° · 1 ngõ ra chuyển mạch, loại PNP · Cài đặt thông số bằng chức năng teach-in · Lập trình được chế độ thường mở (NO) / thường đóng (NC)
| ![]() RU100U-EMT18M-UP8X2-H1151.
|
Để biết thêm thông tin chi tiết hoặc được tư vấn về giải pháp phù hợp nhất với nhu cầu của bạn, vui lòng liên hệ với chúng tôi ngay hôm nay!
🔴 Tiến Hưng Tech là nhà phân phối của Turck Banner tại Việt Nam
🏠1/80 Cầu Xéo, Phường Tân Sơn Nhì, TPHCM
➡️Website: tienhungtech.com.vn
Xem thêm các sản phẩm của Turck Banner tại đây.


